Engine Tuning - Exhaust Development - Performance Parts


For all enquiries please email [email protected]


 


GSX-R Clock Conversion

All information supplied with thanks to Rick Haliday
[email protected]

Re hashed my setup and proved you can do the same thing with readily obtainable equipment. Not my home built electronics.
Basically what you’ll need are the following. I have change some components from my original setup to prove any one can build it from readily accessible parts. This is a must if you live on a tiny group of island in the South Pacific like me.
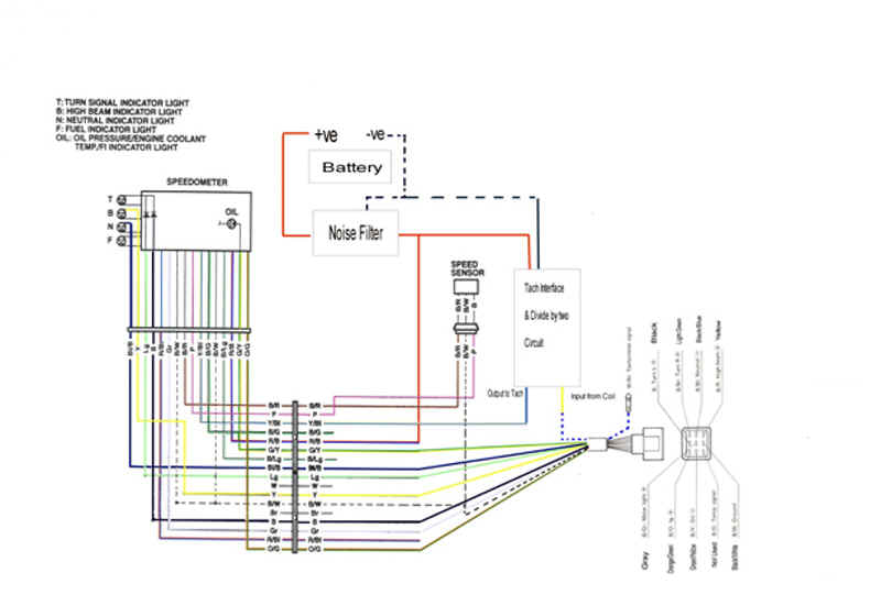
A GSXR 600/750/1000 Instrument console from a 2001 upwards. (I got this and the harness off EBay)
Hint if you get a US model speedo then you can alternate between MPH and KPH. This cannot be done with a European or
Australasian version.
An Instrument/headlight harness from a GSXR 600 .You could make your own but I like shortcuts and just needed to
re-end the connectors to mate to the standard wiring harness.
GSXR Speedo Pickup Part No 34990-33E10 ( Think these part numbers are right but I’ve thrown away the original wrappers)
GSXR Speedo rotor Part No 34981-35F00
Smart Com CDI type Tach Interface 010113P1-01 obtainable from http://www.vtac.co.uk/
Daytona Water Temperature Gauge obtained from Cal Sports  http://www.calsportbike.com/
Car noise filter Part no AA3072 obtained from www.jaycar.com.au ( Any Car audio supplier should have an equivalent. I have found this necessary to get a good tach reading )
Also a simple divide by two circuit. I built mine using a 4093 NAND gate Schmitt trigger feeding a 4013 Dual D Edge triggered Flip Flop with its output to a BC 546 transistor
RG  to GSXR conversion colours (Refer to RG Console.jpg)


Click to enlarge

B/Gr        Grey
B/O      Orange/Green
B/Y       Green/Yellow
B/G      Not Used
B/W      Black/White
B          Black
B/Br      Light Green
B/Bl      Black/Blue
B/R       Yellow

Other connections needed for new console.
Red/Blue Must be connected to a always on +12v ( E.G. Red to ignition switch)
Black/Red to Speedo Sensor
Pink to Speedo Sensor
Yellow/Blue to output of Divide by two circuit
Tach Interface connections:
The Yellow wire is connected to the White/Blue wire (tach signal)
The Red wire is connected to the output of the noise filter (for a clean signal)
The Black wire is connected to ground (Any Black/White wire)
The Blue wire is connected to the divide by two circuit input
When finished all indication light are there as well as an oil low light and warning symbol on the LCD.

 Wires not used at the new GSXR console

Black / Green
Black / Light Green
White
Red / Black


Click to enlarge